Adaptéry snímačů pro detekci dvou plechů
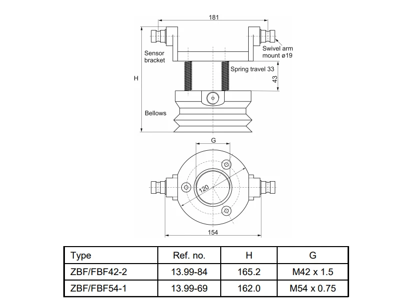
Klaschka adaptér ZBF
- Adaptéry vhodné pro montáž na ramena manipulátorů
- Odpružení třemi pružinami
- Součástí přísavka s odsáváním nebo měch
- Pro průměry M42x1,5 a M54x0,75
attach_file
Dokumentace
expand_less
Katalogové listy
Katalogový list
format_shapes
Obrázky
expand_less
Fotografie
